普克爾盒是通過外加電壓引起電光晶體雙折射的變化來改變光的偏振態。我們提供工業標準QX系列,經濟型的IMPACT系列,大孔徑的TX普克爾盒。這些KD * P,KTP和BBO晶體的普克爾盒廣泛用于激光腔的調Q,鎖模激光器的腔倒空,高重頻再生放大器控制和光學斬波器中。RTP屬于KTP晶體家族,是500~3000nm光譜范圍內的最佳材料,RTP的出色光電性能以及高損傷閾值使其可用于許多領域的高功率激光應用:醫療,工業,國防等。
我們一站式供應各種類型的電光Q開關,普克爾盒,電光調Q開關,電光調制盒,Q開關,EOM,電光調制器,KDP電光Q開關,KDP普克爾盒,BBO電光Q開關,BBO普克爾盒,CdTe電光Q開關,鈮酸鋰電光調制器,強度調制器,相位調制器,可提供選型、技術指導、安裝培訓、個性定制等全生命周期、全流程服務,歡迎聯系我們的產品經理!
普克爾盒也叫普克爾斯盒,是一種由電光晶體(附有一些電極)組成的裝置,光束可以通過它傳播。晶體中的相位延遲(→ 普克爾斯效應)可以通過施加可變電壓來調制。因此,普克爾盒充當電壓控制波片。普克爾盒是電光調制器的基本組件,例如用于調Q激光器。它的原理就是克爾電光效應,即放在電場中的晶體,由于其分子受到電力的作用而發生取向(偏轉),呈現各向異性,結果產生雙折射,即沿兩個不同方向物質對光的折射能力有所不同。普克爾盒一般用來做電光調制器,電光調制器是一套系統,需要普克爾盒加上驅動電源,根據參數需求不同可選擇不同的調制類型和調制頻率。一般對光有3種調制:強度調制,偏振態調制和相位調制。
幾何形狀和材料
關于外加電場的方向,普克爾盒可以有兩種不同的幾何形狀:
縱向器件具有沿光束方向的電場,光束穿過電極中的孔。大光圈很容易實現,因為所需的驅動電壓基本上與光圈無關。電極可以是金屬環(左)或帶有金屬觸點的端面(右)透明層。G&H公司在其KDP/KD*P普克爾盒(QX、CQX、IMPACT和TX系列)的產品中使用了這種設計。
橫向裝置具有垂直于光束的電場。該場通過晶體側面的電極施加。對于小孔徑,它們可以具有較低的開關電壓。G&H公司的LiNbO3、BBO和CdTe普克爾盒(Chiron和IRX系列)采用這種設計。
普克爾盒常見的非線性晶體材料有磷酸二氘鉀(KD*P =DKDP)、磷酸氧鈦鉀(KTP)、β-硼酸鋇(BBO)(后者用于更高的平均功率和/或更高的開關頻率),鈮酸鋰(LiNbO3)、鉭酸鋰(LiTaO3)和磷酸二氫銨(NH4H2PO4,ADP)。
半波電壓
普克爾盒的一個重要特性是半波電壓Uπ(也稱為Uλ/2或Vλ/2)。這是引起π相變所需的電壓,相當于半個光波長。在調幅器中,施加的電壓必須改變這個值,以便從傳輸最小的操作點到傳輸最大的操作點。具有橫向電場的普克爾盒的半波電壓取決于晶體材料、電極間距和施加電場的區域的長度。對于更大的開孔,電極間距需要更大,因此電壓也需要更大。對于具有縱向電場的普克爾盒,晶體長度無關緊要,因為例如較短的長度也會增加給定電壓的電場強度。在不增加半波電壓的情況下可以實現更大的孔徑。典型的普克爾盒具有數百甚至數千伏的半波電壓,因此大調制深度需要高壓放大器。對于高度非線性晶體材料(如LiNbO3)和具有小電極間距的集成光調制器,相對較小的半波電壓是可能的,但此類器件的功率處理能力有限。
調制帶寬
普克爾盒可能的調制帶寬可能非常高——許多兆赫,甚至可能是數千兆赫。它基本上僅受可以修改電光晶體中電場強度的速度的限制。因此,它基本上受到所使用的普克爾盒驅動器電子設備的限制,并且可能受到驅動器和普克爾盒之間的電纜連接的限制。然而,具有高電容的普克爾盒使驅動器更難以實現高帶寬。因此,使用具有低介電敏感性εr的晶體材料是有益的。此外,所選擇的電極幾何形狀可以發揮作用,并且這也可能受到例如關于開孔的要求的影響。
基本型號如下:
| 產品系列 | 波長 | 有效孔徑 | 重復頻率 | 本征對比 (ICR) | 電壓對比(VCR) | 光學材料 |
| Chiron系列 | 200–1650nm | 3.25–7mm | 1MHz | >1000:1@1064nm | >1000:1@1064nm | BBO |
| Impact系列 | 300-1100nm | 8-13mm | 1kHz | >4000:1@1064nm | >3500:1@1064nm | KD*P |
| QX系列 | 300–1100nm | 9.5–19.5mm | 3kHz | 5000:1@1064nm | >1000:1@1064nm | KD*P |
| QX1014A | 300–1100nm | 8mm | 10kHz | >1200:1@633nm | >450:1@633nm | KD*P |
| TX系列 | 300–1300nm | 19.5–99mm | 1kHz | KD*P | ||
| IRX系列 | 7.0–12μm | 3–10mm | 100kHz | >500:1@10.6μm | >500:1@10.6μm | CdTe |
Chiron BBO普克爾盒在200–1650nm波長范圍內工作,有效孔徑為3.25–7mm,重復頻率高達1MHz。在1064nm處提供>1000:1的壓電系數比。利用雙晶體幾何結構,具有最小驅動電壓(四分之一波電壓:2.3kV@1064nm)。Chiron BBO普克爾盒提高了高重復率和高平均功率激光應用的標準,因為其吸收率低,可減少熱透鏡效應和消偏振。低吸收是通過卓越的晶體質量實現的,我們通過利用晶體生長、制造和拋光技術的專有技術來實現這一點,以提供可靠、高性能的普克爾盒。該系列普克爾盒可用于再生放大器、高脈沖重復率微加工激光器和用于材料加工和金屬退火的高平均功率激光器,以及任何其他高功率激光應用。
主要特點
高達1MHz的高脈沖頻率
固態
低噪音
抗損傷陶瓷孔徑
緊湊的設計
高可靠性
高平均功率運行
主要優勢
適用于高平均功率系統
低吸收,熱效應低
卓越的高重復率性能
提供技術支持
應用
軍事
OEM 和替換激光系統:
? 加工、打標、鉆孔
? 眼科
? Q開關和再生放大器
- 研究
| 型號 | Chiron 2.6 | Chiron 3 | Chiron 4 | Chiron 5 | Chiron 7 |
| 通光孔徑 | 2.6mm | 3.25mm | 4mm | 5.5mm | 7mm |
| 單程插入損耗@1064nm | <1.5% | <1.5% | <1.5% | <1.5% | <1.5% |
| 本征對比(ICR)@1064nm | >1000:1 | >1000:1 | >1000:1 | >1000:1 | >1000:1 |
| 電壓對比 (VCR)@1064 | >1000:1 | >1000:1 | >1000:1 | >1000:1 | >1000:1 |
| 單程波前畸變@1064nm | <λ/6 | <λ/6 | <λ/6 | <λ/6 | <λ/6 |
| 鍍膜層損傷閾值LIDT, 10Hz@1064nm,10ns,~1mm直徑 | 10J/cm2 | 10J/cm2 | 10J/cm2 | 10J/cm2 | 10J/cm2 |
| 電容(DC) | ~4pF | ~4pF | ~4pF | ~4pF | ~4pF |
| 直流1/4波電壓(±6%)@1064nm | 1.9kV | 2.3kV | 2.9kV | 3.8kV | 4.7kV |
| 儲存和運輸的溫度 | -25℃至50℃ | -25℃至50℃ | -25℃至50℃ | -25℃至50℃ | -25℃至50℃ |
| 理論上10-90%上升時間(50Ω電線) | ~ 1ns | ~ 1ns | ~ 1ns | ~ 1ns | ~ 1ns |
| 1s占空比 | <5% | <5% | <5% | <5% | <5% |
| 外形尺寸 | 直徑25.3mm,長57.7mm | ||||
Impact系列KD*P普克爾盒在300-1100nm波長范圍內的透射率超過98.5%,有效孔徑范圍為8-13mm,本征對比度>4000:1,在1Khz頻率下工作,采用了最好的無應力、高度氘化的KD*P晶體。陶瓷孔徑確保在嚴苛的應用中也具有穩定的性能。可用于多種激光波長的超高的損傷閾值的溶膠和AR鍍膜。選配標準的針型連接器(適用于高電壓應用),簡便的設計方便客戶快速的連接和組裝,客戶也可選擇傳統的螺紋接頭。IMPACT系列是采用干燥的氮氣回吹來保護的真空密封,價格合理,專為設備制造商(OEM)研制。
主要特點
高達1MHz的高脈沖頻率
小尺寸適合微型系統
緊湊–重量輕且節省空間
抗損傷陶瓷孔徑
高透射率和對比度
高抗光學損傷性
工作頻率為1kHz
應用
軍事
OEM
研究
教育
醫療
| 型號 | Impact8 | Impact9 | Impact10 | Impact13 |
| 通光孔徑 | 8mm | 9.25mm | 10mm | 13mm |
| 單程插入損耗@1064nm | <2% | <2% | <2% | <2% |
| 本征對比(ICR)@1064nm | >2000:1 | >2000:1 | >2000:1 | >2000:1 |
| 電壓對比 (VCR)@1064 | >1500:1 | >1500:1 | >1500:1 | >1500:1 |
| 單程波前畸變@633nm | <λ/6 | <λ/6 | <λ/6 | <λ/6 |
| 電容(DC) | 6pF | 6pF | 6pF | 6pF |
| 直流1/4波電壓(±6%)@1064nm | 3.5kV | 3.5kV | 3.5kV | 3.5kV |
| 理論上10-90%上升時間(50Ω電線) | 0.8ns | 0.9ns | 1.1ns | 1.1ns |
| 鍍膜層損傷閾值LIDT, 10Hz@1064nm,10ns,~1mm直徑 | 10J/cm2 | 10J/cm2 | 10J/cm2 | 10J/cm2 |
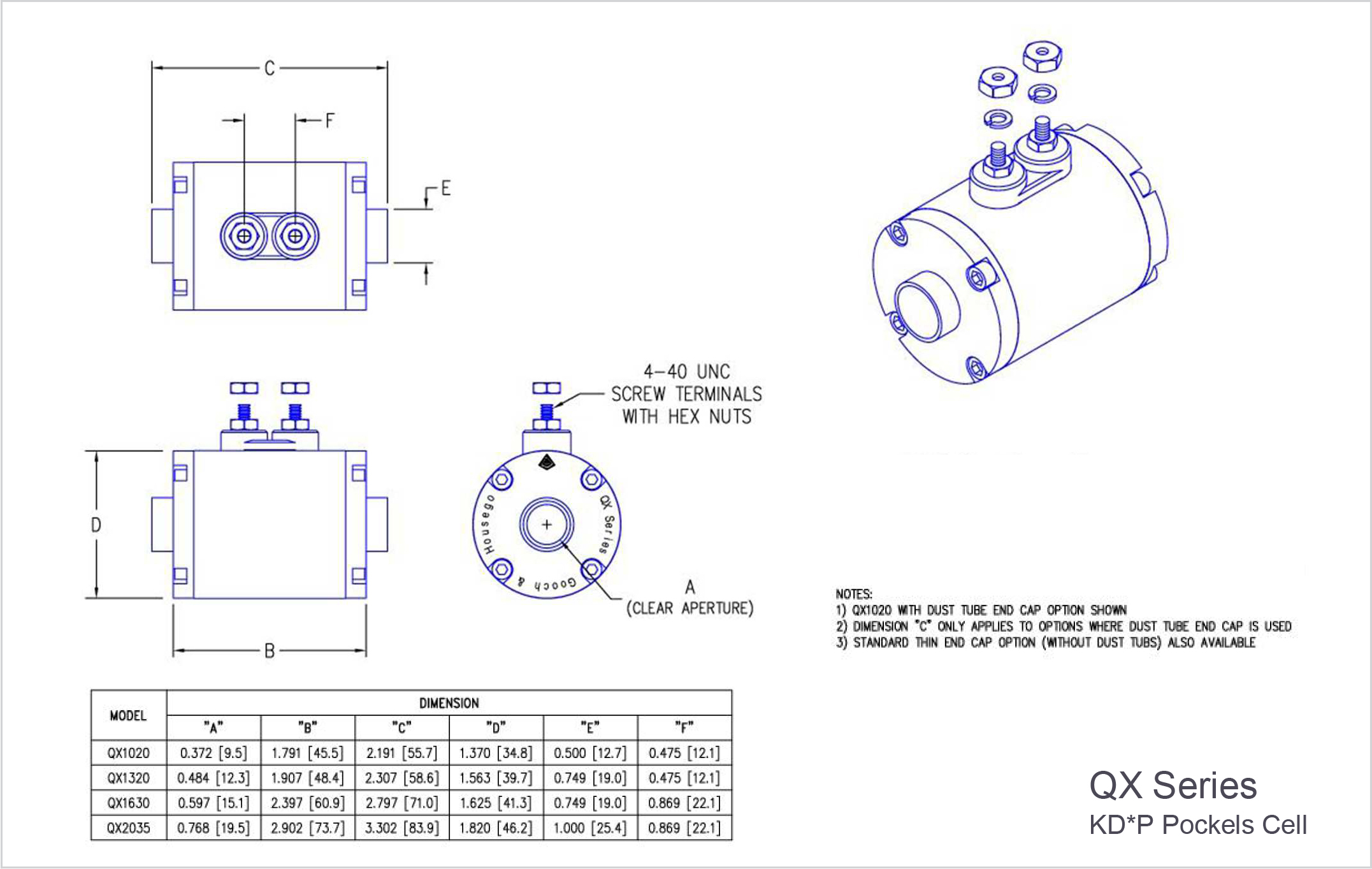
QX系列KD*P普克爾盒在300–1100nm波長范圍內工作,有效孔徑為9.5–19.5mm,重復頻率高達3kHz。在1064nm處提供大于2000:1的電壓對比度。QX系列為KD*P普克爾盒設定了標準,采用寬帶、高損傷閾值溶膠凝膠增透膜及緊湊型設計,以提高耐用性和性能,具有堅固的陶瓷孔徑和優質的紫外級熔融石英窗口,可實現高透射率和對比度。
主要特點
干性或液體密封
99.9% KD*P重氫工業化標準
無環氧和粘結劑
紫外級熔融硅窗口
有效孔徑為9.5–19.5mm
業內最低的吸收率
最高的抗光學損傷能力
工作頻率為3kHz(10kHz衰減模型)
應用
Q 開關、脈沖拾取和腔倒空器
工業和軍事OEM,研究激光器系統教育
| 型號 | QX1020 | QX1320 | QX1630 | QX2035 |
| 通光孔徑 | 9.25mm | 12.3mm | 15.1mm | 19.5mm |
| 單程插入損耗@1064nm | <1.4% | <1.4% | <1.8% | <2% |
| 本征對比(ICR)@1064nm | 5000:1 | 5000:1 | 5000:1 | 5000:1 |
| 電壓對比 (VCR)@1064 | 2500:1 | 1500:1 | 1800:1 | 1000:1 |
| 單程波前畸變@633nm | <λ/8 | <λ/8 | <λ/8 | <λ/6 |
| 電容(DC) | 5pF | 7pF | 9pF | 13pF |
| 直流1/4波電壓(±6%)@1064nm | 3.5kV | 3.5kV | 3.5kV | 3.5kV |
| 理論上10-90%上升時間(50Ω電線) | 0.8ns | 1.1ns | 1.1ns | 1.5ns |
QX1014A短路徑KD*P普克爾盒作為行業標準QX系列普克爾盒中最新型號,在300–1100nm波長范圍內工作,具有從8mm起的短路徑長度有效孔徑,重復頻率高達10kHz。在633nm處提供大于1200:1的電壓對比度,并具有緊湊的設計,具有堅固的陶瓷孔徑和優質的紫外熔融石英窗口,可實現高透射率和對比度。采用寬帶、高損傷閾值溶膠凝膠增透膜,以提高耐用性和性能。采用短路徑長度零件用來減少在高峰值功率應用和飛秒應用中光脈沖在非線性介質中傳播時導致的非線性自聚焦效應。衰減(阻尼)修改允許高達10kHz的有效操作從而有效的抑制了聲振效應。我們可提供多種AR鍍膜,包括我們的獨有的700-1000nm AR鍍膜-非常適合減小鈦藍寶石再生放大器的插入損耗。
主要特點
短路徑長度,運行高達10kHz
可定制AR鍍膜,包括適用于鈦藍寶石帶寬的AR鍍膜、波長可選、陶瓷通光孔徑、低VOC材料和高質量KD*P晶體
主要優勢
高損傷閾值
低插入損耗
應用
光譜學用超快再生放大器
材料加工
光學參量放大
生命科學用飛秒激光(如LASIK)和材料加工(如光刻掩模修復)
科學研究
主要技術參數
通光孔徑:8mm
本征對比(ICR)@633nm:>1200:1
電壓對比 (VCR)@633nm:>450:1
光傳輸@鍍膜波長:>98%
直流半波電壓@633nm:≤3.8kV
透射波畸變@633nm:λ/8
外形尺寸:直徑34.8mm,長度51.6mm
TX系列KD*P普克爾盒在300–1300nm 波長范圍內工作,具有19.5–99mm 的大有效孔徑,重復頻率高達1kHz。在1064nm處提供大于8000:1的電壓對比度。還配有亞微米級的軸向可調窗口,用于調節窗口/晶體間距,同時配有224 TPI精密調節螺絲可用于再次調節窗口平行度和弧度。
TX系列KD*P普克爾盒是目前市面上最先進的應用于高功率的大口徑光學隔離器。我們作為業界的先驅研發的激光誘導核聚變和亞微米微光刻技術的普克爾盒現有大約300臺在全球范圍內使用,所售數量是其他制造商所售總和的兩倍多。我們利用最先進的技術特別修改了圓柱形環形電極幾何結構,用來實現光均勻的傳輸達到最佳的消光比和最短的光路。我們在TX系列普克爾盒上安裝優質的50Ω GHV系列電氣插座,因為其額定值為20kVDC和1GHz(需與RG-8 A/U或RG-213/U同軸電纜一起使用)。
主要特點
亞微米級軸向可調窗口,用于調節窗口/晶體間距
224TPI精密調節螺絲,用于調節窗口平行度和弧度
雙循環口
易于檢查和清潔的水晶鏡面
50Ω傳動線標準配置。
精密加工不含環氧樹脂
可提供各種孔徑尺寸
主要優勢
擴束可降低光強
應用
超短超強激光器的Q開關和光隔離器
高功率可見光和近紅外激光器的光隔離和低頻調制
| 型號 | TX2042 | TX2650 | TX3460 | TX5065 | TX7595 | TX100D |
| 通光孔徑 | 19.5mm | 25.5mm | 33.5mm | 49.5mm | 73.5mm | 99.0mm |
| 晶體氘化 | 95% | 95% | 95% | 95% | 95% | 95% |
| 單程插入損耗@1064nm | 3.5% | 4% | 5% | 5% | 6.5% | 7% |
| 本征對比(ICR)@1064nm | >2000:1 | >2000:1 | >2000:1 | >2000:1 | ||
| 電壓對比 (VCR)@1064 交叉偏振器 平行偏振器 | 8000:1 3000:1 | 8000:1 2500:1 | 6000:1 1500:1 | 3000:1 500:1 | 800:1 300:1 | 200:1 100:1 |
| 單程波前畸變@1064nm | <λ/20 | <λ/20 | <λ/20 | <λ/20 | <λ/20 | <λ/20 |
| 最大殘余雙折射(通常小于孔徑的1%) | <10nm | <12nm | <18nm | <20nm | <40nm | <80nm |
| 直流半波電壓@1064nm | 6.4kV | 6.4kV | 6.7kV | 6.9kV | 7.3kV | 7.7kV |
| 電容 @ 1 kHz | 23pF | 27pF | 32pF | 56pF | 86pF | 115pF |
| 理論上10-90%上升時間(50Ω電線) | 1ns | <2ns | 2ns | 3ns | 5ns | 7ns |
| 尺寸(LxHxW)* | 85x80x85mm | 97x87x92mm | 102x95x103mm | 115x111x119mm | 151x136x144mm | 157x161x169mm |
| 重量 | 1.1kg | 1.4kg | 1.9kg | 2.7kg | 5.4kg | 7.5kg |
L=沿光軸方向的外殼長度;W=電氣端子之間的寬度;H=高度。可提供某些特定尺寸的99%氘化 KD*P和UV級KDP。點擊此處查看TX系列50Ω傳輸模式接線信息
IRX系列CdTe普克爾盒在7.0–12μm波長范圍內工作,有效孔徑為3–10mm,重復頻率高達100kHz,在10.6μm處提供>500:1的電壓對比度。IRX系列具有專利設計,可將CdTe晶體與外部環境隔離,從而延長使用壽命,并提供水冷設計以提高平均功率處理能力。由于碲化鎘具有電光系數高和不易吸水的特性,它作為Q開關主要用于3-12um波段,特別是二氧化碳激光器中。根據客戶要求,可以切成布儒斯特角端面,也可以根據客戶指定的激光波長鍍膜。
主要特點
高電光效應的CdTe晶體
可提供3-10 mm氬涂層或布魯斯特切割晶體的孔徑
環境隔離EO晶體
可提供定制版本
可提供主動冷卻(申請專利中)
3μm-12μm到100 kHz
環境控制和大功率水冷選項(申請專利中)
防潮材料
低光吸收
主要優勢
高對比度
寬光譜范圍
應用
二氧化碳激光調Q
紅外脈沖選擇器
| 型號 | IRX3 | IRX4 | IRX5 | IRX7 | IRX9 |
| 通光孔徑 | 3mm | 4mm | 5mm | 7mm | 9mm |
| 光通過率 | >98%@10.6μm | >98%@10.6μm | >98%@10.6μm | >98%@10.6μm | >98%@10.6μm |
| 本征對比(ICR)@10.6μm | >500:1 | >500:1 | >500:1 | >500:1 | >500:1 |
| 電壓對比(VCR)@10.6μm | >500:1 | >500:1 | >500:1 | >500:1 | >500:1 |
| 單程波前畸變@10.6μm | <λ/4 | <λ/4 | <λ/4 | <λ/4 | <λ/4 |
| 電容(DC) | 6pF | 6pF | 6pF | 6pF | 6pF |
| 直流1/4波電壓(±6%)@10.6μm | ~4kV | ~5kV | ~6kV | ~7kV | ~9kV |
| 理論上10-90%上升時間(50Ω電線) | ~0.3ns | ~0.3ns | ~0.3ns | ~0.3ns | ~0.3ns |
| 1s占空比 | <10% | <10% | <10% | <10% | <10% |
| 激光損傷閾值 | 2.3J/cm2,直徑1mm,2.94μm,2Hz,100ns | ||||
| 光譜操作范圍 | 必須在5-12μm范圍內指定波長或波段 | ||||
| 外形尺寸 | 直徑34.9mm, 長度92.7mm | ||||
可按客戶要求定制孔徑。建議在1/10的流量下運行,以延長使用壽命。LIDT將隨波長和光束參數變化。
PCK/PCR系列普克爾盒基于特殊生長的高電阻率KTP或RTP晶體。突出的特點是可以在高占空比下操作KTP/RTP 普克爾盒,甚至可以在高電壓下保持更長時間。KTP/RTP普克爾盒可以采用標準的一英寸外殼或在需要小尺寸時采用開放式OEM安裝。

主要特點:
相較于雙BBO普克爾盒電池電壓要求小兩倍
在低頻下以高占空比運行
與DKDP晶體相比,壓電共振非常低
標準通光孔徑:4x4和6x6 mm
主要應用:
用于高重復頻率激光器1kHz–6MHz的調Q
高重復率激光器的脈沖選擇器
| 型號 | PCK4 | PCK4-O | PCK6 | PCK6-O |
| 通光孔徑 | ?3.5 mm | ?3.5mm | ?5.5mm | ?5.5mm |
| 晶體數量 | 2 | 2 | 2 | 2 |
| 半波電壓(@1064nm) | <1.8 kV DC | <1.8 kV DC | <2.8 kV DC | <2.8 kV DC |
| 電容 | 4pF | 4pF | <6pF | <6pF |
| 光傳輸(@1064nm) | >98% | >98% | >98% | >98% |
| 對比度 | >1:500 | >1:500 | >1:500 | >1:500 |
| 尺寸 | ?25.4×42.2mm | 25×11.1×7.5mm | ?25.4×42.2mm | 25×13.8×10.6mm |
普克爾盒的作用是在KD*P等電光晶體的電極上施壓用來改變通過這些晶體的的光的偏振態。當它與偏振器一起使用時,普克爾盒可以用作快速關斷開關。典型應用包括激光腔的調Q,實現激光腔倒空將光注入或從再生放大器中耦合出來。KD*P普克爾盒通常用于400~1100nm的調Q應用。市面大多數燈泵浦Nd:YAG激光器、紅寶石激光器和低重復率DPSS激光器的激光腔調Q開關都是使用KD*P普克爾盒。所有的電光KD*P晶體都鍍有高損傷閾值AR膜層。此外, PC12SR、D-compact和D-mini系列的普克爾盒還特有AR鍍膜窗口,可以保護和提高此產品在不太好的環境中的使用壽命。

主要特點:
低吸收高氘材料
針對所需波長的高損傷閾值介電增透膜
工作電壓不依賴于晶體孔徑,因此可提供大孔徑
由于GVD低,適用于飛秒應用
可根據要求提供基于單晶的三端子設計
主要應用:
高功率燈泵浦和低重復率二極管泵浦激光器的調Q
脈沖選擇器
激光腔倒空器
| 規格 | 標準矩形KD*P | 標準圓形KD*P | 緊湊型 KD*P | 迷你 KD*P | ||||||
| 型號 | PC5S-1064 | PC10S-1064 | PC12SR-1064 | PC12SR-532 | PC12SR-694 | PC14x45SR-1064 | D-Compact/9-1064 | D-Compact/12-1064 | D-mini/8-800 | D-mini/9-1064 |
| 通光孔徑,mm | 4.5x4.5 | 9.5x9.5 | ?11 | ?11 | ?11 | ?13.6 | ?8 | ?11 | ?7 | ?8 |
| 晶體尺寸,mm | 5x5x16 | 10x10x25 | ?12x24 | ?12x24 | ?12x24 | ?14x45 | ?9x20 | ?12x24 | ?8x12 | ?9x20 |
| 晶體數量 | 1 | 1 | 1 | 1 | 1 | 1 | 1 | 1 | 1 | 1 |
| λ/2電壓, kV DC | <6.8@1064nm | <6.8@1064nm | <6.8@1064nm | <3.5@532nm | <4.5@694nm | <±3.4@1064nm | <6.8@1064nm | <6.8@1064nm | <5@800nm | <6.8@1064nm |
| 電容,pF | 1.5 | 4 | 6 | 6 | 6 | 10 | 6 | 6 | 3 | 6 |
| 光傳輸,% | >97 | >97 | >97 | >97 | >97 | >97 | >97 | >97 | >97 | >97 |
| 對比度* | > 1:2000 | >1:2000 | >1:2000 | >1:2000 | >1:2000 | >1:2000 | >1:2000 | >1:2000 | >1:2000 | >1:2000 |
| 尺寸,mm | 18x14x25 | 22x18x33 | ?35x41.6 | ?35x41.6 | ?35x41.6 | ?35x75 | ?25.4x35 | ?25.4x39 | ?19x19 | ?19x25.4 |
*用正交偏光片法測量
BBO普克爾盒是橫向磁場器件,電光系數低,工作電壓高,電壓與電極間距和晶體長度的比值成正比。采用雙晶體設計以降低所需電壓,并可在半波模式下快速切換。當與偏振器一起使用時,它可以用作快速關斷開關。典型應用包括激光腔的調Q,實現激光腔倒空將光注入或從再生放大器中耦合出來。Quatro BBO普克爾盒采用四晶設計,兩側獨立控制,可以由兩組同步的普克爾盒驅動器控制,從而實現高級偏振控制。

主要特點:
低吸收高氘材料
針對所需波長的高損傷閾值介電增透膜
工作電壓不依賴于晶體孔徑,因此可提供大孔徑
由于GVD低,適用于飛秒應用
可根據要求提供基于單晶的三端子設計
主要應用:
高功率燈泵浦和低重復率二極管泵浦激光器的調Q
脈沖選擇器
激光腔倒空器
| 型號 | PCB3S | PCB3D | PCB3S/25 | PCB3D/25 | PCB4S | PCB4D | PCB4Q-C | PCB6.3S | PCB6.3D | PCB8D |
| 通光孔徑,mm | 2.5 | 2.5 | 2.5 | 2.5 | 3.5 | 3.5 | 3.5 | 5.8 | 5.8 | 7.5 |
| 晶體尺寸,mm | 3x3x20 | 3x3x20 | 3x3x25 | 3x3x25 | 4x4x20 | 4x4x20 | 4x4x20 | 6.3x6.3x20 | 6.3x6.3x20 | 8x8x20 |
| 晶體數量 | 1 | 2 | 1 | 2 | 1 | 2 | 4 | 1 | 2 | 2 |
| λ/4 電壓 (@ 1064 nm), kV DC | <3.5 | <1.8 | <3.0 | <1.5 | <4.6 | <2.3 | <2x1.3 | <7.5 | <3.8 | <4.6 |
| 電容,pF | 4 | 6 | 4 | 6 | 3 | 6 | 2×<6 | 6 | <8 | <8 |
| 光傳輸,% | >98 | >98 | >98 | >98 | >98 | >98 | >98 | >98 | >98 | >98 |
| 對比度* | >1:1000 | >1:500 | >1:1000 | >1:500 | >1:1000 | >1:500 | >1:500 | >1:1000 | >1:500 | >1:500 |
| 尺寸,mm | ?25.4x37.2 | ?25.4x57.2 | ?25.4x42.2 | ?25.4x67.2 | ?25.4x37.2 | ?25.4x57.2 | ?25.4x112 | ?35x42.2 | ?35x57.2 | ?35x64 |
上面提供的普克爾斯盒的所有晶體都鍍有AR/AR@1064nm。可根據要求提供其他抗反射涂層。對于1064nm的10ns脈沖,損傷閾值>5J/cm2。
RTP(磷酸鈦氧銣)晶體屬KTP族晶體,因其良好的電學與光學性能,包括較高的電阻率(約1011-1012Ω·cm和抗光傷閾值,非常適合用做電光器件,如激光Q開關、快門、相位和振幅調制器、脈沖選擇器,腔倒空器和偏轉器。
我公司提供的RTP晶體Q開關,采用雙晶體結構,兩塊晶體光軸彼此垂直,可以自動補償環境溫度變化,是一種無需溫控的激光器件。除此之外,RTP晶體器件還具有下列明顯優勢:
適用波長:450nm – 3μm,器件消光比 > 23 dB
雙晶體總的電容量很小, 5mm長晶體的總電容量為2-3pF或10mm長晶體的總電容量為3-4pF,可實現脈沖上升/下降時間:0.5-5ns
與其它電光Q相比,具有較低的半波電壓,更容易控制
晶體內部質量好,光學吸收低,雙晶體的總體透光率>98.5%
動態、靜態半波電壓基本一致,易于安裝和調節
適用于高頻操作,最高開關頻率可達1MHz
小巧的外形和較低的操作電壓,使其更適于新型的光纖與碟片激光器應用
最大15x15mm2口徑器件可用于大型軍工和航天用途激光器
使用溫度﹣50-70℃,無需溫控
晶體損傷閾值達1GW/cm2 @ 1064nm, 10ns脈寬
晶體不潮解,介電常數低,優良的電學穩定性,可長期承受外加電壓
RTP晶體電光Q型號定義規則:
型號:Ty ‐ D ‐ O ‐ Cr ‐ L ‐ E ‐ W
Ty ‐ 晶體類別: R (RTP)
D ‐ 電光器件: Q (電光Q),M (雙晶體結構),或S (單晶體結構)
O ‐ 晶體切割方向: X / Y / Z
Cr ‐ 晶體截面 [mm]
L ‐ 晶體長度 [mm]
E ‐ 消光比20/23/25/30 [dB]
W ‐ 工作激光波長 [nm]
典型電光Q開關晶體尺寸和半波電壓(外觀尺寸圖)
| 器件型號 | 晶體尺寸[mm] | 半波電壓(kV) | 器件型號 | 晶體尺寸 | 半波電壓(kV) |
| R-Q-Y-020-5-20-1064 | 2 x 2 x 5 | 1.3 | R-Q-Y-020-10-20-1064 | 2 x 2 x 10 | .66 |
| R-Q-Y-030-5-20-1064 | 3 x 3 x 5 | 2.0 | R-Q-Y-030-10-20-1064 | 3 x 3 x 10 | .99 |
| R-Q-Y-040-5-20-1064 | 4 x 4 x 5 | 2.6 | R-Q-Y-040-10-20-1064 | 4 x 4 x 10 | 1.3 |
| R-Q-Y-050-5-20-1064 | 5 x 5 x 5 | 3.3 | R-Q-Y-050-10-20-1064 | 5 x 5 x 10 | 1.7 |
| R-Q-Y-060-5-20-1064 | 6 x 6 x 5 | 4.0 | R-Q-Y-060-10-20-1064 | 6 x 6 x 10 | 2.0 |
| R-Q-X-020-5-20-1064 | 2 x 2 x 5 | 1.6 | R-Q-X-020-10-20-1064 | 2 x 2 x 10 | .79 |
| R-Q-X-030-5-20-1064 | 3 x 3 x 5 | 1.6 | R-Q-X-030-10-20-1064 | 3 x 3 x 10 | 1.2 |
| R-Q-X-040-5-20-1064 | 4 x 4 x 5 | 1.6 | R-Q-X-040-10-20-1064 | 4 x 4 x 10 | 1.6 |
| R-Q-X-050-5-20-1064 | 5 x 5 x 5 | 1.6 | R-Q-X-050-10-20-1064 | 5 x 5 x 10 | 2.0 |
| R-Q-X-060-5-20-1064 | 6 x 6 x 5 | 1.6 | R-Q-X-060-10-20-1064 | 6 x 6 x 10 | 2.4 |
| R-Q-X-070-5-20-1064 | 7 x 7 x 5 | 1.6 | R-Q-X-070-10-20-1064 | 7 x 7 x 10 | 2.8 |
| R-Q-X-080-5-20-1064 | 8 x 8 x 5 | 1.6 | R-Q-X-080-10-20-1064 | 8 x 8 x 10 | 3.2 |
| R-Q-X-090-5-20-1064 | 9 x 9 x 5 | 1.6 | R-Q-X-090-10-20-1064 | 9 x 9 x 10 | 3.6 |