我們提供的激光功率計系列產品具有國際領先的抗激光破壞水平,可以記錄激光脈沖序列串的各脈沖能量,可對光纖輸出和管芯直接輸出的半導體激光器進行全參數測試,可廣泛應用于工業加工、國防科研、醫療和教學等領域的激光功率測試。
我們一站式供應各種類型的激光功率計,激光能量計,激光功率能量計,光電式激光功率計,便攜式激光功率計,可提供選型、技術指導、安裝培訓、個性定制等全生命周期、全流程服務,歡迎聯系我們的產品經理!

產品特點
彩色液晶顯示屏 ,方便查看中英文菜單( V2 版本)
實時波形圖顯示
不需校零, 自穩零電路大容量鋰電池
烤機保護功能
金屬機身,抗干擾好
方便用戶自校準機制
適合應用
手持激光功率測量
手持激光單脈沖能量測量工業 、科研領域適用
產品名稱:激光功率計
命名規則:Stellar-XY--Za-b(c)
產品名稱:激光功率計
命名規則
Stellar-XY--Za-b(c)
X:
TP:激光功率計,測激光功率PE:功率能量計,既可以測激光功率,也可以測能量(單脈沖)
Y:探測器規格(額定測量功率及探測器類型)
Z:為入光孔徑,19,25,50等,單位mm
a:探頭特征。
留空表示標準探頭,其他非標項由相應字母表示,如:
J:均光;S:超薄
b:其他定制項,如果非標線長,留空表示標準
c:表頭版本
省略:V1版本表頭
V2:V2版本表頭
型號舉例:
以配50W 標準探頭的Stellar V2功率計為例,其具體型號為:Stellar-TP50-HP-19(V2)。
以配50W 均光探頭的Stellar V2功率計為例,其具體型號為:Stellar-TP50-HP-19J(V2)。
以配200W 探頭的Stellar V2功率計為例,其具體型號為:Stellar-TP200-HP-25(V2)。
以配10W 探頭,可以測量能量的功率計為例,其型號為:Stellar-PE10-HP-25(V2)。
主要型號列表(V2):
| 產品名稱 | 規格型號 | 單位 | 探頭尺寸(mm) | 備注 |
| 激光功率計 | Stellar-TP10-HP-25(V2) | 臺 | 60*60*20 | |
| 激光功率計 | Stellar-PE10-HP-25(V2) | 臺 | 60*60*20 | 功率能量計 |
| 激光功率計 | Stellar-TP50-HP-19(V2) | 臺 | 65*65*65 | |
| 激光功率計 | Stellar-TP50-HP-19J(V2) | 臺 | 65*65*65 | 高損均光 |
| 激光功率計 | Stellar-PE50-HP-19(V2) | 臺 | 65*65*65 | 功率能量計 |
| 激光功率計 | Stellar-TP200-HP-25(V2) | 臺 | 90*90* 100 | |
| 激光功率計 | Stellar-PE200-HP-25(V2) | 臺 | 90*90* 100 | 功率能量計 |
| 激光功率計 | Stellar-TP500-HP-25(V2) | 臺 | 122* 122*70 | |
| 激光功率計 | Stellar-TP1000-HP-25(V2) | 臺 | 122* 122*70 | |
| 激光功率計 | Stellar-TP1000-HP-25-W(V2) | 臺 | 90*90*44 | 水冷 |
| 激光功率計 | Stellar-TP2000-HP-50-W(V2) | 臺 | 120* 120*40 | 水冷 |

產品特點
彩色液晶顯示屏
實時波形圖顯示
不需校零, 自穩零電路
可調一階加速算法
可選測單脈沖激光能量
鋰電池供電
烤機保護功能
金屬機身,抗干擾,屏蔽性好方便用戶自校準
USB-B 接口,PC 監測軟件
產品參數
| 型號 | STELLAR |
| 供電方式 | USB-B 接口,5V1A 手機充電器 |
| 電池特性 | 2000mAH,充電時間 9 小時,放電時間 12 小時 |
| 顯示屏 | 2.8 寸真彩色液晶,400*240,兩級背光 |
| 通信接口 | USB 通信( USB 轉串口) |
| 電氣測量準確度 | ±0.25% |
| 報警信號輸出 | OC 門,帶載能力最大 0.35A,極性可配置 |
| 模擬信號輸出 | 0-1V( 10BIT) |
| 存儲能力 | 最多 1667 小時 ,最多 10000 個數據 |
| 顯示模式 | 數字、條圖、 曲線 |
| 尺寸 | 長 x 寬 x 深 : 170*96*28 ( mm) |
| 重量 | 約 0.5kg |
外觀尺寸


產品特點
大尺寸彩色液晶顯示屏中英文菜單
實時波形圖顯示
不需校零, 自穩零電路可調二階加速算法
可選測單脈沖激光能量大容量鋰電池
升級烤機保護功能
金屬機身,抗干擾,屏蔽性好更方便的用戶自校準機制
USB-B 接口,PC 監測軟件
產品參數:
| 型號 | STELLAR V2 |
| 供電方式 | USB-B 接口,5V1A 手機充電器 |
| 電池特性 | 3800mAH,充電時間 10 小時,放電時間24 小時 |
| 顯示屏 | 3.5 寸真彩色液晶,480*320,多級背光 |
| 通信接口 | USB 通信( USB 轉串口) |
| 電氣測量準確度 | ±0.25% |
| 報警信號輸出 | OC 門,帶載能力最大 0.35A,極性可配置 |
| 模擬信號輸出 | 0-1V( 10BIT) |
| 存儲能力 | 最多 1667 小時 ,最多 10000 個數據 |
| 顯示模式 | 數字、條圖、 曲線 |
| 尺寸 | 長 x 寬 x 深 : 175* 106*27 ( mm) |
| 重量 | 約 0.5kg |
外觀尺寸


產品特點
快速響應
寬光譜范圍外形小巧
優化熱沉設計,短期高承載功率
產品參數
| 型號 | TP10-HP-25 | TP50-HP-25S |
| 光譜范圍 (μm) | 0.19~11 | 0.19~11 |
| 入光孔徑 (mm) | 25 | 25 |
| 功率測量范圍 | 2mW - 10W | 10mW - 50W |
| 間歇測量 | 10W continuous, 50W for 3min | 10W continuous, 50W for 3min |
| 功率量程 | 10W | 50W |
| 最大 CW 功率密度 (kW/cm2) | 15 | 15 |
| 響應時間 (s) | < 1.5 | < 1.5 |
| 測量不準確度 (±%) | < 2 | < 2 |
| 線性度 (±%) | < 1 | < 1 |
| 測量精度 (±%) | < 3 | < 3 |
| 能量測量范圍 | 20mJ-200J | 20mJ-200J |
| 能量量程 | 0.6J/3J/30J/200J | 0.6J/3J/30J/200J |
| 最大能量密度 (J/cm2) | 30@10ms | 30@10ms |
| 散熱方式 | 自然冷卻 | 自然冷卻 |
| 接口類型 | DB9 | DB9 |
| 重量 (kg) | 0.16 (不含支架), 0.43 (含支架) | 0.16 (不含支架), 0.43 (含支架) |
| 探頭尺寸 (mm) | 60*60*20 | 60*60*20 |
| 線纜長度 (m) | 2 | 2 |
外觀尺寸


產品特點
快速響應
寬光譜范圍
外形小巧,集成風扇
優化熱沉設計,短期高承載功率光學配件安裝螺紋
產品參數
| 型號 | TP50-HP-19 | TP50-HP-19J (高損均光版) |
| 光譜范圍 (μm) | 0.19~11 | 0.28~1.1 |
| 入光孔徑 | 19mm | 19mm |
| 功率測量范圍 | 10mW~50W | 10mW~50W |
| 間歇測量 | 50W continuous, 100W for 3min, 150W for 2min | |
| 功率量程 | 10W/50W/150W | 10W/50W/150W |
| 最大 CW 功率密度 | 15kW/cm2 | 150kW/cm2 |
| 響應時間 | < 1.5S | < 1.5S |
| 測量不準確度 ±% | < 2 | < 4 |
| 線性度 ±% | < 1 | < 1 |
| 測量精度 ±% | < 3 | < 5 |
| 能量測量范圍 | 20mJ-200J | 25mJ-200J |
| 能量量程 | 0.6J/3J/30J/200J | 0.6J/3J/30J/200J |
| 最大能量密度 J/cm2 | 30@10ms | 40@10ms |
| 散熱方式 | 自然冷卻、強制風冷 | 自然冷卻、強制風冷 |
| 接口類型 | DB9 | DB9 |
| 重量(含支架) | 0.68kg | 0.7kg |
| 探頭尺寸(不含支架) mm | 65*65*65 | 65*65*95 |
| 線纜長度 | 2M | 2M |
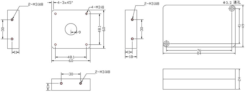
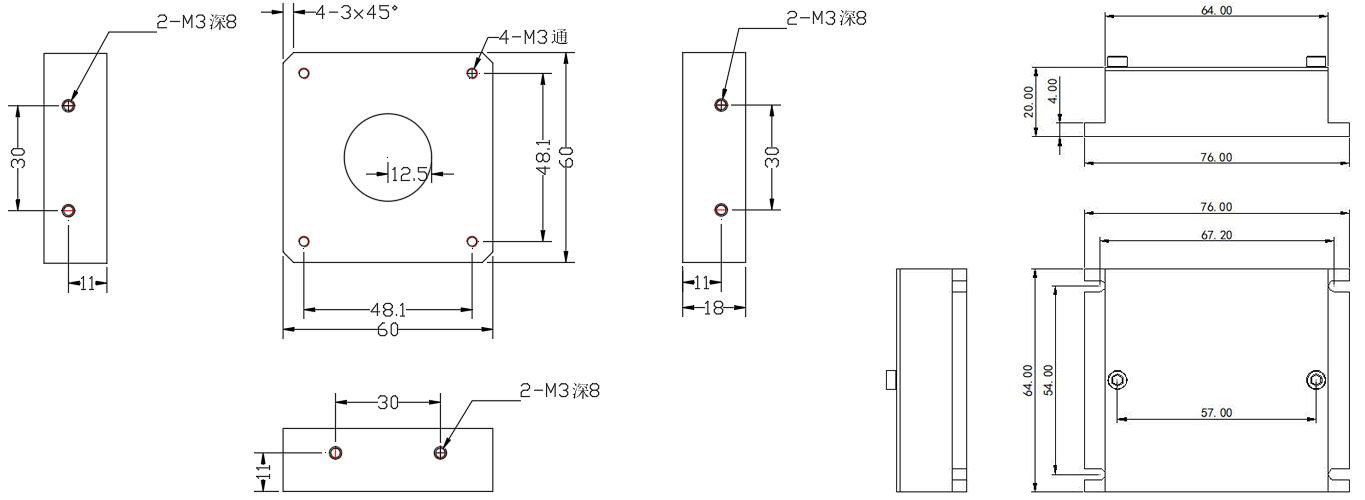
探頭尺寸


產品特點
快速響應
寬光譜范圍
外形小巧,集成風扇
優化熱沉設計,短期高承載功率
光學配件安裝螺紋
產品參數
| 型號 | TP200-HP-25 | TP300-HP-25 |
| 光譜范圍 (μm) | 0.19 ~ 11 | 0.19 ~ 11 |
| 入光孔徑 | 25 mm | 25 mm |
| 功率測量范圍 | 20 mW ~ 250 W | 50 mW ~ 350 W |
| 功率量程 | 50W / 200W / 500W | 50W / 200W / 500W |
| 最大 CW 功率密度 | 7 kW/cm2 | 7 kW/cm2 |
| 響應時間 | < 2.5 S | < 2.5 S |
| 測量不準確度 ±% | < 1 | < 1 |
| 線性度 ±% | < 1 | < 1 |
| 測量精度 ±% | < 3 | < 3 |
| 能量測量范圍 | 35 mJ ~ 300 J | 35 mJ ~ 300 J |
| 能量量程 | 3 J / 30 J / 300 J | 3 J / 30 J / 300 J |
| 最大能量密度 (J/cm2) | 30 @10ms | 30 @10ms |
| 散熱方式 | 自然冷卻、強制風冷 | 自然冷卻、強制風冷 |
| 接口類型 | DB9 | DB9 |
| 重量(不含支架) | 1.15 kg | 1.15 kg |
| 探頭尺寸(不含支架)mm | 90 * 90 * 70 (含風扇:90 * 90 * 100) | 90 * 90 * 70 (含風扇:90 * 90 * 100) |
| 線纜長度 | 2 M | 2 M |
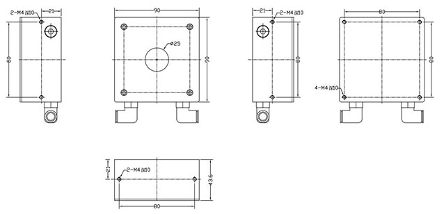
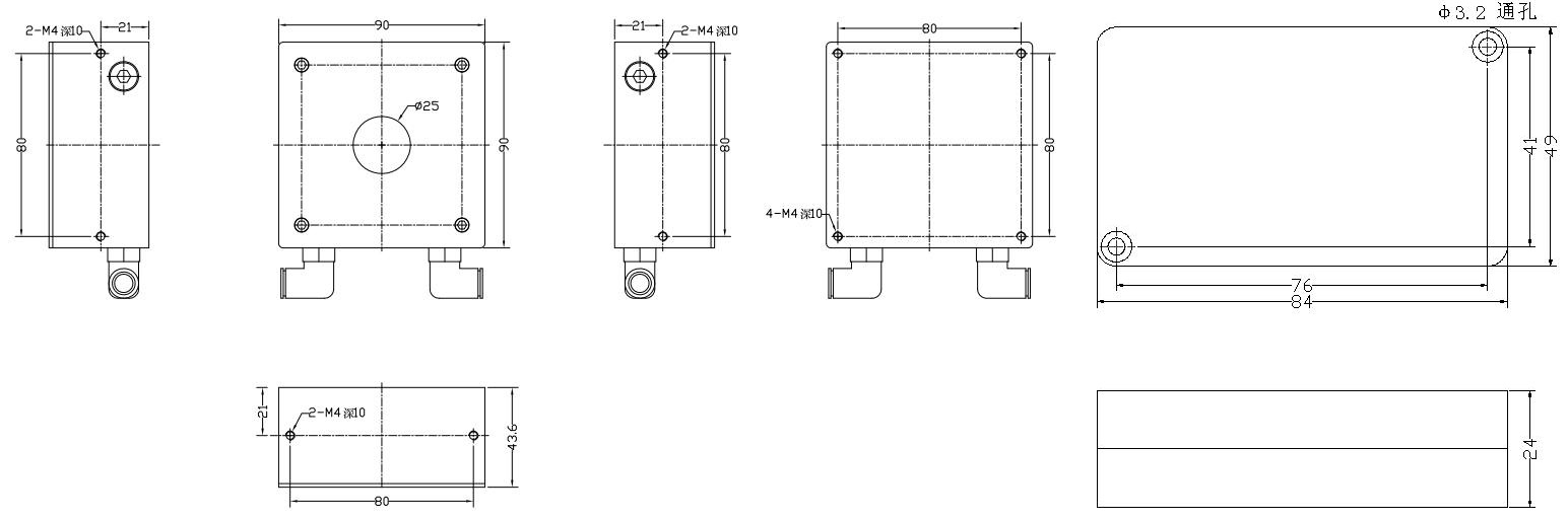
外觀尺寸


產品特點
快速響應
寬光譜范圍
外形小巧,集成風扇
優化熱沉設計,短期高承載功率
光學配件安裝螺紋
產品參數
| 型號 | TP500-HP-25 | TP1000-HP-25 |
| 光譜范圍 (μm) | 0.19 ~ 11 | |
| 入光孔徑 | 25 mm | 25 mm |
| 功率測量范圍 | 0.5W ~ 500W | 1W ~ 1000W |
| 功率量程 | 3J / 30J / 300J | |
| 最大 CW 功率密度 | 7 kW/cm2 | |
| 響應時間 | < 3.5S | |
| 測量不準確度 ±% | < 2 | < 2 |
| 線性度 ±% | < 1 | < 2 |
| 測量精度 ±% | < 3 | < 4 |
| 能量測量范圍 | 0.2J ~ 300J | 0.3J ~ 300J |
| 能量量程 | 3J / 30J / 300J | |
| 最大能量密度 (J/cm2) | 100 @10ms | 200 @10ms |
| 散熱方式 | 自然冷卻、強制風冷 | |
| 接口類型 | DB9 | |
| 重量(不含支架) | 2.35 kg | 2.5 kg |
| 探頭尺寸(不含支架)mm | 122 * 122 * 110 | |
| 線纜長度 | 2 M | |
外觀尺寸


產品特點
快速響應
寬光譜范圍
水冷散熱
產品參數
| 型號 | TP500-HP-25-W | TP1000-HP-25-W |
| 光譜范圍(μm) | 0.19~11 | 0.19~11 |
| 入光孔徑 | 25mm | 25mm |
| 功率測量范圍 | 0.5W - 500W | 1W - 1000W |
| 最大 CW 功率密度 | 4kW/cm2 | 4kW/cm2 |
| 響應時間 | < 3.5S | < 3.5S |
| 測量不準確度 ±% | < 2 | < 2 |
| 線性度 ±% | < 1 | < 1 |
| 測量精度 ±% | < 3 | < 3 |
| 能量測量范圍 | 0.2J - 300J | 0.3J - 300J |
| 能量量程 | 3J/30J/300J | 3J/30J/300J |
| 最大能量密度 J/cm2 | 100@10ms | 200@10ms |
| 散熱方式 | 水冷 | 水冷 |
| 快擰接頭 | KQ21O-02AS,10mm | KQ21O-02AS,10mm |
| 水流量 | ≥1.3L/min | ≥2.5L/min |
| 接口類型 | DB9 | DB9 |
| 重量 | 1.05kg | 1.05kg |
| 探頭尺寸(不含支架)mm | 90×90×45 | 90×90×45 |
| 線纜長度 | 2M | 2M |
外觀尺寸


產品特點
快速響應
寬光譜范圍
水冷散熱
產品參數
| 型號 | TP2000-HP-50-W | TP3000-HP-50-W |
| 光譜范圍 (um) | 0.19~11 | 0.19~11 |
| 入光孔徑 | 50mm | 50mm |
| 功率測量范圍 | 2.5W - 2500W | 3.5W - 3500W |
| 最大 CW 功率密度 | 3kW/cm2 | 3kW/cm2 |
| 響應時間 | <4.5S | <4.5S |
| 測量不準確度 ±% | <2 | <2 |
| 線性度 ±% | <2 | <2 |
| 測量精度 ±% | <4 | <4 |
| 散熱方式 | 水冷 | 水冷 |
| 快擰接頭 | KQ2L10-02AS, 10mm | KQ2L10-02AS, 10mm |
| 水流量 | >=5L/min | >=5L/min |
| 接口類型 | DB9 | DB9 |
| 重量 (不含支架) | 4.75kg | 4.75kg |
| 探頭尺寸 (不含支架) mm | 120*120*40 | 120*120*40 |
| 線纜長度 | 2M | 2M |
外觀尺寸


產品特點
RS232 或 USB 通信接口
簡單 ASCII碼協議,方便主機編程專用 PC 軟件
不需校零,自穩零電路金屬機身,抗干擾好易集成
方便用戶自校準機制
適合應用
配設備場合
焊接、切割等各種激光工業設備在線測量
產品名稱:激光功率計
命名規則:Lynk-X-Y-Za-b
X:
RS232:RS232 通信接口
USB:USB 通信接口
Y:探測器規格(額定測量功率及探測器類型)
Z:為入光孔徑, 19,25,50 等,單位 mm
a:探頭特征 。 留空表示標準探頭,其他非標項由相應字母表示 ,如:
J:均光,JT:均光套筒,S:超薄(50W 可以省略)
b:其他定制項 ,如果非標線長(Ln), 留空表示標準
型號舉例
以 50W 超薄探頭的 RS232 功率計為例,其具體型號為:Lynk-RS232-50-HP-25。
以 200W 探頭 10 米線的 USB 功率計為例,其具體型號為:Lynk-USB-200-HP-25-L10。
主要型號列表(僅列 RS232 型號)
| 產品名稱 | 規格型號 | 單位 | 探頭尺寸(mm) | 備注 |
| 激光功率計 | Lynk-RS232-2-HP-18 | 臺 | 60*60*20 | |
| 激光功率計 | Lynk-RS232-5-HP-18 | 臺 | 60*60*20 | |
| 激光功率計 | Lynk-RS232-10-HP-18 | 臺 | 60*60*20 | |
| 激光功率計 | Lynk-RS232-20-HP-25 | 臺 | 60*60*20 | |
| 激光功率計 | Lynk-RS232-50-HP-25 | 臺 | 65*65*20 | 超薄探頭 |
| 激光功率計 | Lynk-RS232-50-HP-19 | 臺 | 65*65*65 | 標準探頭 |
| 激光功率計 | Lynk-RS232-100-HP-19 | 臺 | 65*65*65 | |
| 激光功率計 | Lynk-RS232-200-HP-25 | 臺 | 90*90* 100 | |
| 激光功率計 | Lynk-RS232-500-HP-25 | 臺 | 122* 122*70 | |
| 激光功率計 | Lynk-RS232-1000-HP-25 | 臺 | 122* 122*70 | |
| 激光功率計 | Lynk-RS232-200-HP-25-W | 臺 | 65*65*25 | 水冷 |
| 激光功率計 | Lynk-RS232-200-HP-25-WJ | 臺 | 65*65*30 | 水冷均光版 |
| 激光功率計 | Lynk-RS232-1000-HP-25-W | 臺 | 90*90*44 | 水冷 |

產品特點
快速響應
寬光譜范圍外形小巧
易集成
產品參數
| 型號 | 2-HP-18 | 5-HP-18 | 10-HP-18 | 12A-HP-18(帶套筒) |
| 光譜范圍( um) | 0. 19~ 11 | |||
| 入光孔徑 | 18mm | |||
| 功率測量范圍 | 2mW - 2W | 3mW - 5W | 5mW - 10W | 5mW - 12W |
| 測量分辨率 | 0. 1mW | 0. 1mW | 1mW | 0. 1mW |
| 功率量程 | 2W | 5W | 10W | 12W |
| 最大 CW 功率密度 | 15kW/cm2 | |||
| 響應時間 | < 1.5S | |||
| 測量不準確度 ±% | < 2 | |||
| 線性度 ±% | < 1 | |||
| 測量精度 ±% | < 3 | |||
| 最大能量密度 J/cm2 | 30@ 10ms | |||
| 散熱方式 | 自然冷卻 | |||
| 接口類型 | RS232 / USB | |||
| 重量 | 350g | |||
| 探頭尺寸 mm | 60*60*20 | |||
| 線纜長度 | 2M | |||
外觀尺寸


產品特點
快速響應
寬光譜范圍
外形小巧
易集成
產品參數
| 型號 | 20-HP-25 | 50-HP-25 |
| 光譜范圍( um) | 0. 19~ 11 | |
| 入光孔徑 | 25mm | |
| 功率測量范圍 | 5mW - 20W | 20mW - 50W |
| 測量分辨率 | 1mW | 10mW |
| 功率量程 | 20W | 50W |
| 最大 CW 功率密度 | 15kW/cm2 | |
| 響應時間 | < 1.5S | |
| 測量不準確度 ±% | < 2 | |
| 線性度 ±% | < 1 | |
| 測量精度 ±% | < 3 | |
| 最大能量密度 J/cm2 | 30@ 10ms | |
| 散熱方式 | 自然冷卻 | |
| 接口類型 | RS232 / USB | |
| 重量 | 350g | |
| 探頭尺寸 mm | 60*60*20 | |
| 線纜長度 | 2M | |
外觀尺寸


產品特點
快速響應
寬光譜范圍
外形小巧,集成風扇
高承載功率
光學配件安裝螺紋
產品參數
| 型號 | 50-HP-19 | 100-HP-19 |
| 光譜范圍(μm) | 0.19~11 | 0.19~11 |
| 入光孔徑 | 19mm | 19mm |
| 功率測量范圍 | 20mW - 50W | 20mW - 100W |
| 測量分辨率 | 10mW | 10mW |
| 功率量程 | 50W | 100W |
| 最大 CW 功率密度 | 15kW/cm2 | 15kW/cm2 |
| 響應時間 | < 1.5S | < 1.5S |
| 測量不準確度 ±% | < 2 | < 2 |
| 線性度 ±% | < 1 | < 1 |
| 測量精度 ±% | < 3 | < 3 |
| 最大能量密度 J/cm2 | 30@10ms | 30@10ms |
| 散熱方式 | 自然冷卻 | 自然冷卻 |
| 接口類型 | RS232 / USB | RS232 / USB |
| 重量 | 0.6kg | 0.6kg |
| 探頭尺寸 mm | 65*65*65 | 65*65*65 |
| 線纜長度 | 2M | 2M |
外觀尺寸


產品特點
快速響應
寬光譜范圍
外形小巧,集成風扇
高承載功率
光學配件安裝螺紋
產品參數
| 型號 | 200-HP-25 | 300-HP-25 |
| 光譜范圍(μm) | 0.19~11 | 0.19~11 |
| 入光孔徑 | 25mm | 25mm |
| 功率測量范圍 | 100mW - 200W | 100mW - 300W |
| 測量分辨率 | 10mW | 10mW |
| 功率量程 | 200W | 300W |
| 最大 CW 功率密度 | 7kW/cm2 | 7kW/cm2 |
| 響應時間 | < 2.5S | < 2.5S |
| 測量不準確度 ±% | < 2 | < 2 |
| 線性度 ±% | < 1 | < 1 |
| 測量精度 ±% | < 3 | < 3 |
| 最大能量密度 J/cm2 | 30@10ms | 30@10ms |
| 散熱方式 | 自然冷卻 | 自然冷卻 |
| 接口類型 | RS232 / USB | RS232 / USB |
| 重量 | 1.25kg | 1.25kg |
| 探頭尺寸 mm | 90×90×90 | 90×90×112 |
| 線纜長度 | 2M | 2M |
外觀尺寸


產品特點
快速響應
寬光譜范圍
外形小巧,集成風扇
高承載功率
光學配件安裝螺紋
產品參數
| 型號 | 500-HP-25 | 1000-HP-25 |
| 光譜范圍(μm) | 0.19~11 | 0.19~11 |
| 入光孔徑 | 25mm | 25mm |
| 功率測量范圍 | 0.5W - 500W | 1W - 1000W |
| 測量分辨率 | 0.1W | 0.1W |
| 功率量程 | 500W | 1000W |
| 最大 CW 功率密度 | 6kW/cm2 | 6kW/cm2 |
| 響應時間 | < 3.5S | < 3.5S |
| 測量不準確度 ±% | < 2 | < 2 |
| 線性度 ±% | < 1 | < 1 |
| 測量精度 ±% | < 3 | < 3 |
| 最大能量密度 J/cm2 | 30@10ms | 30@10ms |
| 散熱方式 | 自然冷卻 | 自然冷卻 |
| 接口類型 | RS232 / USB | RS232 / USB |
| 重量 | 2.35kg | 2.35kg |
| 探頭尺寸 mm | 120×120×110 | 120×120×110 |
| 線纜長度 | 2M | 2M |
外觀尺寸


產品特點
快速響應
寬光譜范圍
外形小巧,集成風扇
高承載功率
光學配件安裝螺紋
產品參數
| 型號 | 200-HP-25-W | 200-HP-25-WJ (高損均光版) |
| 光譜范圍(μm) | 0.19~11 | 0.28~1.1 |
| 入光孔徑 | 25mm | 25mm |
| 功率測量范圍 | 100mW - 200W | 100mW - 200W |
| 測量分辨率 | 10mW | 10mW |
| 功率量程 | 200W | 200W |
| 最大 CW 功率密度 | 7kW/cm2 | 70kW/cm2 |
| 響應時間 | < 2.5S | < 4S |
| 測量不準確度 ±% | < 2 | < 1 |
| 線性度 ±% | < 1 | < 5 |
| 測量精度 ±% | < 3 | < 5 |
| 最大能量密度 J/cm2 | 30@10ms | 30@10ms |
| 散熱方式 | 水冷 | 水冷 |
| 快擰接頭 | M-5H-6,6mm | M-5H-6,6mm |
| 水流量 | ≥1.0L/min | ≥1.0L/min |
| 接口類型 | RS232 / USB | RS232 / USB |
| 重量 | 450g | 450g |
| 探頭尺寸 mm | 65×65×25 | 65×65×30 |
| 線纜長度 | 2M | 2M |
外觀尺寸


產品特點
快速響應
寬光譜范圍
易集成
高承載功率
產品參數
| 型號 | 500-HP-25-W | 1000-HP-25-W |
| 光譜范圍(μm) | 0.19~11 | 0.19~11 |
| 入光孔徑 | 25mm | 25mm |
| 功率測量范圍 | 0.5W - 500W | 1W - 1000W |
| 測量分辨率 | 0.1W | 0.1W |
| 功率量程 | 500W | 1000W |
| 最大 CW 功率密度 | 4kW/cm2 | 4kW/cm2 |
| 響應時間 | < 3.5S | < 3.5S |
| 測量不準確度 ±% | < 2 | < 2 |
| 線性度 ±% | < 1 | < 1 |
| 測量精度 ±% | < 3 | < 3 |
| 最大能量密度 J/cm2 | 30@10ms | 30@10ms |
| 散熱方式 | 水冷 | 水冷 |
| 快擰接頭 | KQ2L10-02AS, 10mm | KQ2L10-02AS, 10mm |
| 水流量 | ≥1.3L/min | ≥2.5L/min |
| 接口類型 | RS232 / USB | RS232 / USB |
| 重量 | 1.3kg | 1.3kg |
| 探頭尺寸 mm | 90×90×44 | 90×90×44 |
| 線纜長度 | 2M | 2M |
外觀尺寸


產品特點
快速響應
寬光譜范圍
外形小巧
單脈沖能量
測量高穩定性
產品參數
| 型號 | Trill-PE10-HP-25 |
| 光譜范圍(μm) | 0.19~11 |
| 入光孔徑 | 25mm |
| 功率范圍 | 10mW - 50W |
| 最大 CW 功率密度 | 15kW/cm2 |
| 響應時間 | < 1.5S |
| 測量不準確度 ±% | < 2 |
| 線性度 ±% | < 1 |
| 測量精度 ±% | < 3 |
| 能量測量范圍 | 10mJ - 600mJ |
| 能量量程 | 0.6J |
| 測量分辨率 | 1mJ |
| 最大能量密度 J/cm2 | 30@10ms |
| 散熱方式 | 自然冷卻 |
| 接口類型 | DB9、USB |
| 重量 | 170g |
| 探頭尺寸(不含支架)mm | 60×60×20 |
| 線纜長度 | 2M |
外觀尺寸


產品特點
快速響應
寬光譜范圍
外形小巧
模擬接口
適用于激光器內部集成性
產品參數
| 型號 | Lynk-A-1W | Lynk-A-10W |
| 光譜范圍(μm) | 0.19~11 | 0.19~11 |
| 入光孔徑 | 18mm | 18mm |
| 功率測量范圍 | 1mW - 1.5W | 1mW - 15W |
| 供電電壓 | 5-24V | 5-24V |
| 模擬輸出 | 0-1.0V | 0-1.0V |
| 最大 CW 功率密度 | 15kW/cm2 | 15kW/cm2 |
| 響應時間 | < 1.5S | < 1.5S |
| 測量不準確度 ±% | < 2 | < 2 |
| 線性度 ±% | < 1 | < 1 |
| 測量精度 ±% | < 3 | < 3 |
| 散熱方式 | 自然冷卻 | 自然冷卻 |
| 接口類型 | 0-1V 模擬量 | 0-1V 模擬量 |
| 重量 | 45g | 45g |
| 探頭尺寸(不含支架)mm | 46×46×10 | 46×46×10 |
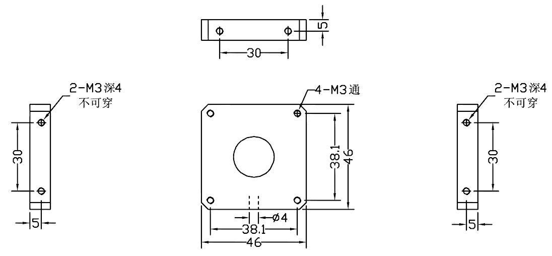
| 線纜長度 | 無 | 無 |
外觀尺寸


產品特點
快速響應
損傷閾值高
外形小巧
模擬接口
適用于激光器內部集成性
產品參數
| 型號 | SD50-19 | SD200-25 |
| 光譜范圍(μm) | 0.19~11 | 0.19~11 |
| 入光孔徑 | 19mm | 25mm |
| 功率測量范圍 | 1mW - 50W | 2mW - 200W |
| 模擬輸出 | ~1mV/W | ~0.18mV/W |
| 最大 CW 功率密度 | 15kW/cm2 | 7kW/cm2 |
| 響應時間 | < 1.5S | < 1.5S |
| 測量不準確度 ±% | < 2 | < 2 |
| 線性度 ±% | < 1 | < 1 |
| 測量精度 ±% | < 3 | < 3 |
| 散熱方式 | 傳導冷卻 | 傳導冷卻 |
| 接口類型 | 模擬量 | 模擬量 |
| 重量 | 10g | 25g |
| 尺寸 mm | D44×3 | D54×6 |
| 線纜長度 | 無 | 無 |
外觀尺寸

上一個產品
下一個產品