陶瓷反射體廣泛應用于激光泵浦腔中,與鍍金反射體比較最大優勢在于其使用壽命極長。我們提供各種型號的燈泵浦固體激光器用陶瓷體、半導體泵浦模塊專用陶瓷體和美容和光子潤膚用陶瓷體等。
我們一站式供應各種類型的陶瓷反射體,漫反射體,激光反射體,激光陶瓷體,陶瓷激光反射體,陶瓷漫反射體,激光陶瓷腔,聚光腔體,激光陶瓷泵浦腔,可提供選型、技術指導、安裝培訓、個性定制等全生命周期、全流程服務,歡迎聯系我們的產品經理!
陶瓷反射體近來廣泛應用于激光泵浦腔中。與鍍金反射體比較最大優勢在于其使用壽命極長。高反射率陶瓷材料在可見光區(380nm-780nm)光譜平均反射率高達97%以上。
BAB – 外形是圓柱;
ZAB – 外形不規則;
LAK – 外形是方的但有一面是凹形;
EAB – 外形是方;
GAZ – 外形是三角形。
| 型號 | 陶瓷體長度 | 燈棒距離(燈燈距離) | 內孔高度 | 內孔長度 | 說明 |
| ZAB-S04-30 | 30 | 6 | 8 | 12 | 長方形 + 圓形 |
| ZAB-S05-30 | 30 | 7.62 | 8 | 12 | 長方形 + 圓形 |
| ZAB-S03 | 45 | 6 | 16 | 長方形 + 圓形 | |
| ZAB-S04-50 | 50 | 6 | 8 | 12 | 長方形 + 圓形 |
| ZAB-S05-50 | 50 | 7.62 | 8 | 12 | 長方形 + 圓形 |
| ZAB-S01 | 59.5 | 8 | 17 | 長方形 + 圓形 | |
| ZAB-S02 | 60 | 9 | 30 | 長方形 + 圓形 | |
| ZAB205 | 77 | 11 | 11 | 22 | 長方體,單燈單棒 |
| ZAB198 | 115 | 26 | 16 | 43 | 長方體,單燈單棒 |
| ZAB146(TCT142D) | 142 | 27 | 16 | 43 | 長方體,雙燈單棒 |
| LAK283 | 48 | 11.4 | 橢圓腔,單燈單棒上下結構 | ||
| LAK306 | 48 | 11.4 | 橢圓腔,單燈單棒上下結構 | ||
| LAK317 | 48 | 11.4 | 橢圓腔,單燈單棒上下結構 | ||
| LAK396 | 70 | 12 | 21 | 橢圓腔,單燈單棒上下結構 | |
| LAK046 | 94 | 9 | 長方體,單燈單棒,上下結構 | ||
| LAK396-100 | 100 | 12 | 21 | 橢圓腔,單燈單棒上下結構 | |
| LAK396-120 | 120 | 12 | 21 | 橢圓腔,單燈單棒上下結構 | |
| LAK396-140 | 140 | 12 | 21 | 橢圓腔,單燈單棒上下結構 | |
| LAK311 | 145 | 32 | 長方體,雙燈單棒,上下結構 | ||
| LAK396-150 | 150 | 12 | 21 | 橢圓腔,單燈單棒上下結構 | |
| LAK331 | 160.5 | 27.5 | 長方體,雙燈單棒,上下結構 | ||
| LAK391 | 186 | 32 | 長方體,雙燈單棒,上下結構 | ||
| BAB259 | 64 | 8.5 | 8 | 16.5 | 圓柱體,單燈單棒 |
| BAB373 | 71.5 | 橢圓腔 | |||
| BAB-S06-89 | 89 | 10 | 9.3 | 19.3 | 圓柱體,單燈單棒 |
| BAB-S04 | 92 | 橢圓腔 | |||
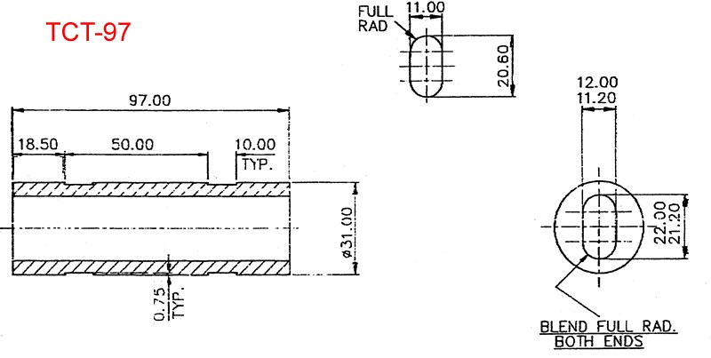
| BAB192(TCT97) | 97 | 12 | 22 | 圓柱體,單燈單棒 | |
| BAB311 | 97 | 12.7 | 15 | 27.7 | 圓柱體,單燈單棒 |
| BAB349 | 97 | 12 | 22 | 圓柱體,單燈單棒 | |
| BAB275 | 100 | 14.4 | 28.4 | 圓柱體,單燈單棒 | |
| BAB283 | 100 | 17 | 32 | 圓柱體,單燈單棒 | |
| BAB299 | 100 | 17 | 45 | 橢圓體,雙燈單棒 | |
| BAB281 | 100 | 18 | 34 | 圓柱體,單燈單棒 | |
| BAB402 | 101 | 14.5 | 30 | 橢圓體,單燈單棒 | |
| BAB228 | 115 | 12 | 22 | 圓柱體,單燈單棒 | |
| BAB330(TCT117) | 117 | 12 | 22 | 圓柱體,單燈單棒 | |
| BAB275-120 | 120 | 14.4 | 28.4 | 圓柱體,單燈單棒 | |
| BAB399 | 120 | 16 | 43 | 圓柱體,雙燈單棒 | |
| BAB350 | 130 | 17 | 45 | 橢圓體,雙燈單棒 | |
| BAB492 | 150 | 17 | 45 | 橢圓體,雙燈單棒 | |
| BAB496 | 160 | 17 | 45 | 橢圓體,雙燈單棒 | |
| BAB497 | 170 | 17 | 45 | 橢圓體,雙燈單棒 |
注:1)單位為mm;2)單燈單棒時,指燈棒距離,雙燈單棒時,指燈燈距離。
型號說明: CRDP-XX-YY-Z-AAA-BBB
CRDP: 半導體泵浦陶瓷體
XX – 反射體內徑 (mm)
YY - 反射體長度 (mm)
Z – 反射體面數,就是側面可以放半導體巴條的數量。
AAA – 與反射體剖面相關的備注,如TRI (三角形)、CRL (圓形)、PLT (平面形)
BBB – 備注
| 型號 | 直徑mm) | 長度(mm) | 說明 |
| CRDP-12-25-3-PLT | 12 | 25 | 適合側面泵浦,360度均勻放置三組半導體激光管 |
| CRDP-12-65-3-PLT | 12 | 65 | 適合側面泵浦,360度均勻放置三組半導體激光管 |
| CRDP-12-115-3-PLT | 12 | 115 | 適合側面泵浦,360度均勻放置三組半導體激光管 |
| CRDP-6.07-32.26-3-TRI | 6.07 | 32.26 | 外形三角形,FF材料,360度均勻放置三組半導體激光管 |
| CRDP-12.2-67-3-TRI | 12.2 | 67 | 外形三角形,FF材料,360度均勻放置三組半導體激光管 |
| CRDP-12.2-76.3-5-CRL | 12.2 | 76.3 | 外形圓形,360度均勻放置五組半導體激光管 |
型號說明:CRIPL-XX-YY-BBB
CRIPL: 美容和光子潤膚用陶瓷體
XX – 反射體內徑或角度(mm/度)
YY - 反射體長度 (mm)
BBB – 備注
| 型號 | 內徑或角度 (mm/度) | 長度 (mm) | 備注 |
| CRIPL-4.27/3.28-48/60 | 4.27-3.28 | 48-60 | EAB-074,圓角棱形 |
| CRIPL-23-46 | 230 46’ | 46 | LAK-404,上釉,傾斜端面,底部5孔 |
| CRIPL-19-48-5 | 190 52’ | 48 | LAK-409,上釉,底部5孔 |
| CRIPL-19-48-5G | 190 52’ | 48 | LAK283,上釉,底部5孔 |
| CRIPL-19-48-3 | 190 52’ | 48 | LAK306,未上釉,底部3孔 |
| CRIPL-19-48-3G | 190 52’ | 48 | LAK317,上釉,底部3孔 |
上面反射體是已有并且在市場上大量使用的。一般來說,反射體總是根據客戶的要求訂制的。請上我們的網站看反射體的機械圖,以便理解其應用。如有具體要求,請聯系我們。

ST系列的陶瓷反射體坯體采用99% Al2O3制成坯體,經過適當的溫度燒制,以保留合適的孔隙率和適當的坯體強度。陶瓷反射體表面采用了全涂覆高反射率陶瓷全釉工藝,與鍍金反射體相比,其最大優勢在于使用壽命極長,反射特性為漫反射。
此陶瓷反射體是醫療和工業激光焊接的泵浦腔的一個低成本、高效率的解決方案。
主要特性:
表面全釉以取得最大反射率和易于清洗
在波長600-1000nm處反射率達97%
在400-1200nm頻譜范圍內反射率超過95%
坯體具有適當的多孔和高強特性
物理特性:
顏色:白色
密度:3.1g/cm33
氣孔率:22%
抗彎強度:170MPa
熱膨脹系數:7.9×10-6/С(200~500℃)
9×10-6/С(200~1000℃)
主要型號定義
STG-BAB –外形圖為圓形;
STG-ZAB – 外形圖不規則
STG-LAK – 上下結構(外形圖為方形、長方形,但一面是凹形);
STG-EAB – 外形是長方形;
STG-GAZ – 外形是三角形。

下列圖表中是我們現有的產品型號.
| 產品型號 | 長度 | 間距 | 孔高度 | 孔長度 | 備注 |
| STG-ZAB-N100 | 99.9 | 12.8 | 33.5 | 方形 + 圓形 | |
| STG-LAK-49 | 49 | 10.2 | 12 | ||
| STG-LAK-51.6 | 51.6 | 12.6 | 孔中心高度10.5mm | ||
| STG-LAK-51.6-2 | 51.6 | 10.0 | 孔中心高度10.5mm | ||
| STG-LAK-51.6-3 | 51.6 | 12.0 | 孔中心高度9mm | ||
| STG-LAK-51.6-4 | 51.6 | 15.0 | 孔中心高度11.5mm | ||
| STG-BAB-97 (=TCT-97) | 97 | 12 | 22 | 柱面形, 單燈單棒 | |
| STG-BAB-98 | 98 | 14 | 25 | 柱面形, 單燈單棒 | |
| STG-BAB-117 (=TCT-117) | 117 | 12 | 22 | 柱面形, 單燈單棒 | |
| STG-BAB-137 | 137.5 | 17.5 | 30 | 柱面形, 單燈單棒 |
我們可根據客戶提供的圖紙定制陶瓷反射體。如有特殊應用和具體要求,請聯系我們。
常用陶瓷體尺寸列表
單燈單棒用反射體:TCT97(等同于BAB192) 和TCT117(等同于BAB330)
雙燈單棒用反射體:TCT-142D(等同于ZAB146)
雙燈單棒用反射體:LAK331
單燈單棒用反射體:ZAB198
單燈單棒用反射體:ZAB205
半導體泵浦模塊專用陶瓷體(CRDP-32xxx系列)